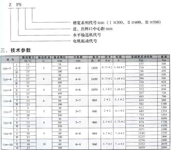
ZPS系列振动输送机采用振动电机作为振动源、使物料被抛起同时向前做直线运动,达到输送的目的;结构形式分为敞开式、封闭式、输送形式可分为槽式输送或管式输送,电机位置可上、下或侧面装配;该机型结构简单、安装、维修方便、能耗低、无粉尘溢散、噪音等优点。广泛应用于冶金、煤炭、建材化工、食品等行业中的粉状及颗粒状物料输送。


旋振筛,直线丝瓜视频黄片地址,摇摆筛,超声波丝瓜视频黄片地址,试验筛
Copyright © 2008-2022 丝瓜视频黄片地址厂家 - 新乡市丝瓜APP污下载振动机械有限公司 版权所有 免责声明
地址:延津县森林公园大门西1000米路北 备案号:豫ICP备95528604号-20