丝瓜APP污下载,丝瓜视频黄片地址,丝瓜污污视频官网,丝瓜成人版在线观看

    咨询热线
    0373-268 2333
    厂家微信
    当前位置:首页 > 公司产品 > SZZ自定中心丝瓜视频黄片地址

    SZZ自定中心丝瓜视频黄片地址

    SZZ自定义中心丝瓜视频黄片地址

    SZZ自定中心丝瓜视频黄片地址产品概述:

    自定中心丝瓜视频黄片地址用于矿石和煤等物料的粗、中细、极细各级筛分,也可用于对物料作脱水泥、脱介质等处理。自定中心丝瓜视频黄片地址结构主要由筛箱、激振器、悬挂(或支承)装置及电动机等组成。自定中心丝瓜视频黄片地址的适用范围十分广泛,主要用于矿山、煤炭、冶炼、建材、耐火材料、轻工、化工、医药、食品等行业的产品分级,是破碎筛分机组上的理想丝瓜污污视频官网。自定中心丝瓜视频黄片地址是圆运动轨迹,结构简单、坚固耐用、性能可靠、维修方便、生产效率高,因此被广泛应用。本系列丝瓜视频黄片地址分为吊式、座式,对小规格筛机配有移动式座架,筛机分为单层与双层筛网,传动形式分为左、右装,筛网有编织网和冲孔筛板。
    自定中心丝瓜视频黄片地址又名吊筛。它是由带有偏心性质的振动器使筛子产生振动的。它的特点如下:1)筛上物料在振动作用下能达到很好的松散和分层;2)该丝瓜视频黄片地址的配重质量大小可以调节,可根据生产要求调节筛子振幅大小;3)当给矿量发生变化时,振幅也变化。给矿量少时振幅加大振动加剧;给矿量多时振幅变小。给矿量的变化将影响“动力平衡”,从而使皮带轮中心产生一些振动;4)适用于中、细粒筛分而不适应粗物料筛分。

    SZZ型自定中心丝瓜视频黄片地址型号说明:

    S  Z  Z  2  □ □
    ┬ ┬ ┬ ┬ ┬ ┬
    │ │ │ │ │ │
    │ │ │ │ │ └────────- 筛面长度mm
    │ │ │ │ │
    │ │ │ │ └────────── 筛面宽度mm
    │ │ │ │
    │ │ │ └───────────- 双层(单层不标注)
    │ │ │
    │ │ └───────────── 自定
    │ │
    │ └──────────────- 中心

    └──────────────── 丝瓜视频黄片地址

    自定义中心丝瓜视频黄片地址的主要技术参数:

    自定义中心丝瓜视频黄片地址的主要技术参数:面积:0.29-6.49生产能力t/h:12-300双振幅mm:6-8功率kw:1.1-18.5

    SZZ自定中心丝瓜视频黄片地址用途及特点:

    本系列自定中心丝瓜视频黄片地址产品主要用于煤炭、冶金、建材、化工等工业部门对中小粒度物料分级之用。自定中心丝瓜视频黄片地址是圆运动轨迹,结构简单、坚固耐用、性能可靠、维修方便、生产效率高,因此被广泛应用。

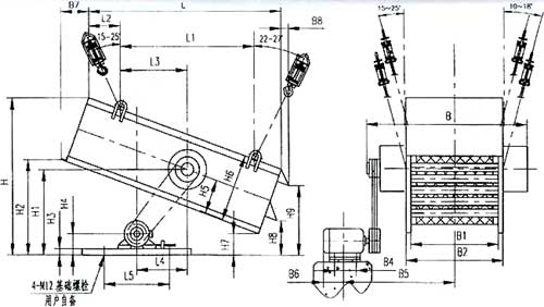
    SZZ自定中心丝瓜视频黄片地址外形示意图:

    SZZ自定义中心丝瓜视频黄片地址安装尺寸图

    SZZ自定中心丝瓜视频黄片地址产品主要技术参数表:

    SZZ自定中心丝瓜视频黄片地址产品主要技术参数表:L:1990-1743B:1328

    注:表中的生产能力是依据松散密度0.9t/m3的煤按上层筛面较大和较小筛空进行干式分级给定的,物料中小于筛空尺寸之半的颗粒含量40%,大于筛空尺寸的颗粒含量占25%,筛分效率为90%。

    SZZ自定中心丝瓜视频黄片地址产品选型订货须知:

    本系列自定中心丝瓜视频黄片地址分为吊式、座式 两种规格,对小规格筛机配有移动式座架,筛机分为单层与双层筛网,传动形式分为左、右装,筛网有编织网和冲孔筛板,用户在订货前请说明。

    SZZ自定中心丝瓜视频黄片地址产品丝瓜污污视频官网维护:

    日常维护:
    1、应每天检查电机轴承温度是否超温;2、检查筛网、压板、筛篦磨损情况;3、检查吊杆、弹簧受力状况是否均匀。

    定期检查:
    1、定期检查轴承润滑情况;2、定期检查弹簧吊杆、磨损情况;3、检查筛网磨损状况;4、检查各螺栓联结处是否松动;5、检查振幅、筛分率是否符合要求;6、检查振动噪音、筛面倾角是否有变化。

    旋振筛,直线丝瓜视频黄片地址,摇摆筛,超声波丝瓜视频黄片地址,试验筛

    Copyright © 2008-2022 丝瓜视频黄片地址厂家 - 新乡市丝瓜APP污下载振动机械有限公司 版权所有 免责声明

    地址:延津县森林公园大门西1000米路北 备案号:豫ICP备95528604号-20

    网站地图